Главная > Подшипники> Роликовые > Радиально-упорные>29582/29520

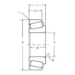
29582/29520 — Однорядный конический роликовый подшипник, импортное производство по ISO стандарту, размер 60x107x25 номер основного исполнения .
Производится брендами: CX, FBJ, ISO, TIMKEN.
Цена по запросу
Цена на подшипник зависит от:
Габаритные размеры
Размеры и геометрические характеристики
Нагрузка и ресурс
Защита
Коэффициенты для расчета
Присоединительные размеры
Конструкция и исполнение
Конический роликоподшипник 29580/29520-B (TIMKEN)
Однорядный конический роликовый подшипник 29580/29520 (AST, CX, FBJ, ISO, KOYO)
Подшипник роликовый радиально-упорный 29582/29522 (KOYO, TIMKEN)
Конический роликоподшипник 4T-29580/29520 (NTN)