Главная > Подшипники> Роликовые > Упорные>29492-E-MB

29492-E-MB — Подшипник роликовый упорно-радиальный сферический, импортное производство по ISO стандарту, размер 460x800x206 номер основного исполнения 29492.
Производитель: FAG.
E = Увеличенная грузоподъемность. М = Механически обработанный латунный сепаратор, центрируемый по роликам.
Цена от:1 729 272 р.
Цена на подшипник зависит от:
| Обозначение | Модификация |
|---|---|
| 29492 | Основное конструктивное исполнение. |
| 29492R | R = Наружное кольцо с фланцем . |
| 29492E | Е = Увеличенная грузоподъемность. |
| 29492 M | M = массивный латунный сепаратор. |
| 29492 EM | E = Увеличенная грузоподъемность. М = Механически обработанный латунный сепаратор, центрируемый по роликам. |
| 29492-E1-MB | MB = Обработанный латунный сепаратор с внутренним кольцом. |
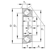
Габаритные размеры
Размеры и геометрические характеристики
Нагрузка и ресурс
Присоединительные размеры
Прочие характеристики
Подшипник упорно-радиальный роликовый сферический одинарный 9039492
Подшипник упорный с цилиндрическими роликами одинарный двухрядный 9889492 X1