Главная > Подшипники> Роликовые > Упорные>29484-E-MB

29484-E-MB — Подшипник роликовый упорный сферический, импортное производство по ISO стандарту, размер 420x730x185 номер основного исполнения 29484.
Производитель: FAG.
E = Увеличенная грузоподъемность. М = Механически обработанный латунный сепаратор, центрируемый по роликам.
Цена от:1 134 645 р.
Цена на подшипник зависит от:
| Обозначение | Модификация |
|---|---|
| 29484 | Основное конструктивное исполнение. |
| 29484R | R = Наружное кольцо с фланцем . |
| 29484E | Е = Увеличенная грузоподъемность. |
| 29484 M | M = массивный латунный сепаратор. |
| 29484-EM | E = Увеличенная грузоподъемность. М = Механически обработанный латунный сепаратор, центрируемый по роликам. |
| 29484-E1-MB | MB = Обработанный латунный сепаратор с внутренним кольцом. |
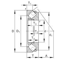
Габаритные размеры
Размеры и геометрические характеристики
Нагрузка и ресурс
Присоединительные размеры
Прочие характеристики