Главная > Подшипники> Роликовые > Упорные>29448R

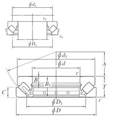
29448R — Подшипник роликовый упорно-радиальный, импортное производство по ISO стандарту, размер 240x440x122 номер основного исполнения 29448.
Производитель: KOYO.
R = Наружное кольцо с фланцем .
Цена от:200 243 р.
Цена на подшипник зависит от:
| Обозначение | Модификация |
|---|---|
| 29448 | Основное конструктивное исполнение. |
| 29448EM | E = Увеличенная грузоподъемность. М = Механически обработанный латунный сепаратор, центрируемый по роликам. |
| 29448 M | M = массивный латунный сепаратор. |
| 29448 E | Е = Увеличенная грузоподъемность. |
| 29448 E1 | E1 = Проектирование повышенной емкости. |
| 29448 E.MB | E = Увеличенная грузоподъемность. М = Механически обработанный латунный сепаратор, центрируемый по роликам. |
| 29448 E (ISO) | S = смазочный паз и три отверстия в наружном кольце подшипника. |
Габаритные размеры
Размеры и геометрические характеристики
Нагрузка и ресурс
Защита
Присоединительные размеры
Конструкция и исполнение
Подшипник роликовый упорный 89448 (CX, INA, ISO)
Подшипник упорный роликовый конический одинарный 9019448
Подшипник упорно-радиальный роликовый сферический одинарный 9039448
Роликовый цилиндрический упорный подшипник 89448-M (INA, NBS)