Главная > Подшипники> Роликовые > Упорные>29424R

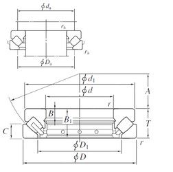
29424R — Подшипник роликовый упорный сферический, импортное производство по ISO стандарту, размер 120x250x78 номер основного исполнения 29424.
Производитель: KOYO.
R = Наружное кольцо с фланцем .
Цена от:22 256 р.
Цена на подшипник зависит от:
| Обозначение | Модификация |
|---|---|
| 29424 | Основное конструктивное исполнение. |
| 29424E | Е = Увеличенная грузоподъемность. |
| 29424 M | M = массивный латунный сепаратор. |
| 29424EX | X = Внешние размеры, соответствующие международным стандартам. |
| 29424-E1 | E1 = Проектирование повышенной емкости. |
| 29424 E (ISO) | S = смазочный паз и три отверстия в наружном кольце подшипника. |
Габаритные размеры
Размеры и геометрические характеристики
Нагрузка и ресурс
Защита
Присоединительные размеры
Конструкция и исполнение
Подшипник роликовый упорный 89424 (CX, INA, ISO)
Подшипник упорный роликовый конический одинарный 9019424 (ГПЗ-1)
Подшипник упорно-радиальный роликовый сферический одинарный 9039424К
Подшипник упорно-радиальный роликовый сферический одинарный 9039424
Роликовый цилиндрический упорный подшипник 89424-M (INA, NBS, SKF)
Подшипник роликовый упорно-радиальный 9424M (FBJ)