Главная > Подшипники> Роликовые > Упорные>294/800-E-MB

294/800-E-MB — Подшипник роликовый упорно-радиальный сферический, импортное производство по ISO стандарту, размер 800x1360x335 номер основного исполнения .
Производитель: FAG.
E = Увеличенная грузоподъемность. М = Механически обработанный латунный сепаратор, центрируемый по роликам.
Цена по запросу
Цена на подшипник зависит от:
Габаритные размеры
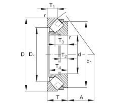
Размеры и геометрические характеристики
Нагрузка и ресурс
Присоединительные размеры
Прочие характеристики
Подшипник упорно-радиальный роликовый сферический одинарный 90394/800
Подшипник роликовый упорно-радиальный 294/800 M (CX, ISB, ISO)
Осевой радиально-упорный роликоподшипник 294/800 (NTN)
Осевой радиально-упорный роликоподшипник 294/800-E1-MB (INA)