Главная > Подшипники> Роликовые > Упорные>29392-E-MB

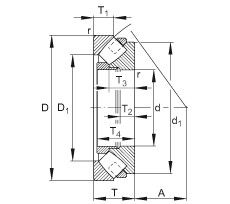
29392-E-MB — Подшипник роликовый упорно-радиальный сферический, импортное производство по ISO стандарту, размер 460x710x150 номер основного исполнения 29392.
Производитель: FAG.
E = Увеличенная грузоподъемность. М = Механически обработанный латунный сепаратор, центрируемый по роликам.
Цена от:1 112 559 р.
Цена на подшипник зависит от:
| Обозначение | Модификация |
|---|---|
| 29392 | Основное конструктивное исполнение. |
| 29392E | Е = Увеличенная грузоподъемность. |
| 29392 M | M = массивный латунный сепаратор. |
| 29392-E1-MB | MB = Обработанный латунный сепаратор с внутренним кольцом. |
Габаритные размеры
Размеры и геометрические характеристики
Нагрузка и ресурс
Присоединительные размеры
Прочие характеристики
Подшипник упорно-радиальный роликовый сферический одинарный 9039392
Упорный роликоподшипник 2RT9202 (NTN)