Главная > Подшипники> Роликовые > Упорные>29384R

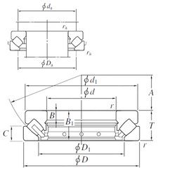
29384R — Подшипник роликовый упорно-радиальный, импортное производство по ISO стандарту, размер 420x650x140 номер основного исполнения 29384.
Производитель: KOYO.
R = Наружное кольцо с фланцем .
Цена по запросу
Цена на подшипник зависит от:
| Обозначение | Модификация |
|---|---|
| 29384 | Основное конструктивное исполнение. |
| 29384E | Е = Увеличенная грузоподъемность. |
| 29384 M | M = массивный латунный сепаратор. |
| 29384-E1-MB | MB = Обработанный латунный сепаратор с внутренним кольцом. |
Габаритные размеры
Размеры и геометрические характеристики
Нагрузка и ресурс
Защита
Присоединительные размеры
Конструкция и исполнение