Главная > Подшипники> Роликовые > Упорные>29380-E1-MB

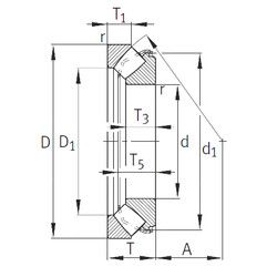
29380-E1-MB — Подшипник роликовый упорный сферический, импортное производство по ISO стандарту, размер 400x620x132 номер основного исполнения 29380.
Производится брендами: FAG, INA.
MB = Обработанный латунный сепаратор с внутренним кольцом.
Цена по запросу
Цена на подшипник зависит от:
Габаритные размеры
Размеры и геометрические характеристики
Нагрузка и ресурс
Защита
Присоединительные размеры
Конструкция и исполнение
Другие размеры
Прочие характеристики