Главная > Подшипники> Роликовые > Упорные>29356-E1

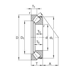
29356-E1 — Осевой радиально-упорный роликоподшипник, импортное производство по ISO стандарту, размер 280x440x95 номер основного исполнения 29356.
Производится брендами: FAG, INA.
E1 = Проектирование повышенной емкости.
Цена от:135 700 р.
Цена на подшипник зависит от:
Габаритные размеры
Размеры и геометрические характеристики
Нагрузка и ресурс
Защита
Присоединительные размеры
Конструкция и исполнение
Другие размеры
Прочие характеристики