Главная > Подшипники> Роликовые > Упорные>293/750-E-MB

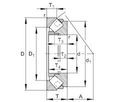
293/750-E-MB — Подшипник роликовый упорно-радиальный сферический, импортное производство по ISO стандарту, размер 750x1120x224 номер основного исполнения .
Производитель: FAG.
E = Увеличенная грузоподъемность. М = Механически обработанный латунный сепаратор, центрируемый по роликам.
Цена по запросу
Цена на подшипник зависит от:
Габаритные размеры
Размеры и геометрические характеристики
Нагрузка и ресурс
Присоединительные размеры
Прочие характеристики
Подшипник упорно-радиальный роликовый сферический одинарный 90393/750
Осевой радиально-упорный роликоподшипник 293/750-E1-MB (INA)
Подшипник роликовый упорно-радиальный 293/750 M (ISB)