Главная > Подшипники> Роликовые > Упорные>293/500-M

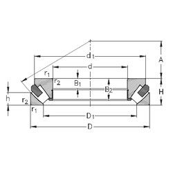
293/500-M — Подшипник роликовый упорно-радиальный, импортное производство по ISO стандарту, размер 500x750x150 номер основного исполнения .
Производится брендами: CX, ISB, ISO, NKE.
M = массивный латунный сепаратор.
Цена по запросу
Цена на подшипник зависит от:
Габаритные размеры
Размеры и геометрические характеристики
Нагрузка и ресурс
Защита
Присоединительные размеры
Конструкция и исполнение
Подшипник упорно-радиальный роликовый сферический одинарный 90393/500
Цилиндрический роликоподшипник R500-5 (NSK)
Конический роликоподшипник CR-10024 (NTN)
Подшипник роликовый упорный сферический 293/500-E-MB (FAG)
Осевой радиально-упорный роликоподшипник 293/500E (NACHI)
Упорный сферический роликоподшипник 293/500 (NTN, SKF)