Главная > Подшипники> Роликовые > Упорные>292/950-E1-MB

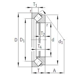
292/950-E1-MB — Осевой радиально-упорный роликоподшипник, импортное производство по ISO стандарту, размер 950x1250x180 номер основного исполнения .
Производитель: INA.
MB = Обработанный латунный сепаратор с внутренним кольцом.
Цена по запросу
Цена на подшипник зависит от:
Габаритные размеры
Размеры и геометрические характеристики
Нагрузка и ресурс
Защита
Присоединительные размеры
Конструкция и исполнение
Другие размеры
Подшипник упорно-радиальный роликовый сферический одинарный 90392/950
Подшипник роликовый упорно-радиальный 292/950 M (ISB)
Подшипник роликовый упорный сферический 292/950-E-MB (FAG)
Упорный роликоподшипник 2RT19008 (NTN)