Главная > Подшипники> Роликовые > Упорные>292/750-EM

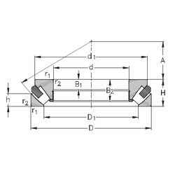
292/750-EM — Подшипник роликовый упорный сферический, импортное производство по ISO стандарту, размер 750x1000x74 номер основного исполнения .
Производится брендами: NKE, SKF.
E = Увеличенная грузоподъемность. М = Механически обработанный латунный сепаратор, центрируемый по роликам.
Цена по запросу
Цена на подшипник зависит от:
Габаритные размеры
Размеры и геометрические характеристики
Нагрузка и ресурс
Защита
Присоединительные размеры
Конструкция и исполнение