Главная > Подшипники> Роликовые > Упорные>292/750-E1-MB

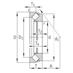
292/750-E1-MB — Осевой радиально-упорный роликоподшипник, импортное производство по ISO стандарту, размер 750x1000x150 номер основного исполнения .
Производитель: INA.
MB = Обработанный латунный сепаратор с внутренним кольцом.
Цена по запросу
Цена на подшипник зависит от:
Габаритные размеры
Размеры и геометрические характеристики
Нагрузка и ресурс
Защита
Присоединительные размеры
Конструкция и исполнение
Другие размеры
Подшипник шариковый упорный 91682/750 X
Подшипник упорно-радиальный роликовый сферический одинарный 90392/750
Подшипник роликовый упорно-радиальный сферический 292/750-E-MB (FAG)
Подшипник роликовый упорно-радиальный 292/750 M (ISB)