Главная > Подшипники> Роликовые > Упорные>292/630-E1-MB

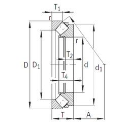
292/630-E1-MB — Осевой радиально-упорный роликоподшипник, импортное производство по ISO стандарту, размер 630x850x132 номер основного исполнения .
Производитель: INA.
MB = Обработанный латунный сепаратор с внутренним кольцом.
Цена по запросу
Цена на подшипник зависит от:
Габаритные размеры
Размеры и геометрические характеристики
Нагрузка и ресурс
Защита
Присоединительные размеры
Конструкция и исполнение
Другие размеры
Подшипник упорно-радиальный роликовый сферический одинарный 90392/630
Подшипник роликовый радиально-упорный 329/630 (ISB)
Подшипник роликовый упорно-радиальный 292/630 M (CX, ISB, ISO, NKE)
Подшипник роликовый упорный сферический 292/630-E-MB (FAG)