Главная > Подшипники> Роликовые > Упорные>292/500-E1-MB

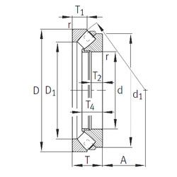
292/500-E1-MB — Осевой радиально-упорный роликоподшипник, импортное производство по ISO стандарту, размер 500x670x103 номер основного исполнения .
Производитель: INA.
MB = Обработанный латунный сепаратор с внутренним кольцом.
Цена по запросу
Цена на подшипник зависит от:
Габаритные размеры
Размеры и геометрические характеристики
Нагрузка и ресурс
Защита
Присоединительные размеры
Конструкция и исполнение
Другие размеры
Подшипник упорно-радиальный роликовый сферический одинарный 90392/500
Подшипник роликовый упорный сферический 292/500 M (CX, ISB, ISO, NKE)
Подшипник роликовый упорный сферический 292/500-E-MB (FAG)
Осевой радиально-упорный роликоподшипник 292/500E (NACHI)