Главная > Подшипники> Роликовые > Упорные>292/1060-E1-MB

292/1060-E1-MB — Осевой радиально-упорный роликоподшипник, импортное производство по ISO стандарту, размер 1060x1400x206 номер основного исполнения .
Производитель: INA.
MB = Обработанный латунный сепаратор с внутренним кольцом.
Цена по запросу
Цена на подшипник зависит от:
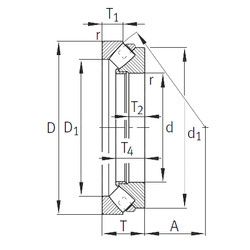
Габаритные размеры
Размеры и геометрические характеристики
Нагрузка и ресурс
Защита
Присоединительные размеры
Конструкция и исполнение
Другие размеры
Подшипник упорно-радиальный роликовый сферический одинарный 90392/1060
Подшипник роликовый упорно-радиальный 292/1060 M (CX, ISB, ISO)
Подшипник роликовый упорный сферический 292/1060-E-MB (FAG)
Подшипник роликовый упорно-радиальный 292/1060 (KOYO, NTN)