Главная > Подшипники> Роликовые > Игольчатые>28MM3516

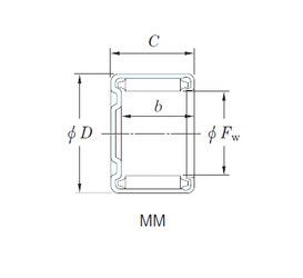
28MM3516 — Подшипник игольчатый радиальный, импортное производство по ISO стандарту, размер 28x35x16 номер основного исполнения .
Производитель: KOYO.
M = массивный латунный сепаратор.
Цена по запросу
Цена на подшипник зависит от:
Габаритные размеры
Размеры и геометрические характеристики
Нагрузка и ресурс
Защита
Конструкция и исполнение
Другие размеры
Подшипник игольчатый радиальный CK283516E (EPK)
Подшипник роликовый игольчатый с наружным кольцом с плоским дном с сепаратором ВК283516
Подшипник роликовый игольчатый с наружным кольцом с профилированным дном без сепаратора НД283516
Подшипник роликовый игольчатый с наружным кольцом со сквозным отверстием без сепаратора НК283516
Подшипник роликовый игольчатый с наружным кольцом с профилированным дном без сепаратора СК283516
Роликовый игольчатый подшипник BK2816 (CX, ISO, KOYO, NBS, NTN)