Главная > Подшипники> Роликовые > Игольчатые>28MKM3520

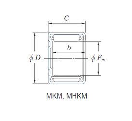
28MKM3520 — Подшипник игольчатый радиальный, импортное производство по ISO стандарту, размер 28x35x20 номер основного исполнения .
Производитель: KOYO.
K = коническое отверстие, конус 1:12. М = Механически обработанный латунный сепаратор, центрируемый по роликам.
Цена по запросу
Цена на подшипник зависит от:
Габаритные размеры
Размеры и геометрические характеристики
Нагрузка и ресурс
Защита
Конструкция и исполнение
Другие размеры
Подшипник роликовый игольчатый с наружным кольцом с плоским дном с сепаратором ВК283520
Подшипник радиальный роликовый игольчатый однорядный без колец К28X35X20
Подшипник роликовый игольчатый с наружным кольцом с профилированным дном без сепаратора НД283520
Подшипник роликовый игольчатый с наружным кольцом со сквозным отверстием без сепаратора НК283520
Подшипник роликовый игольчатый с наружным кольцом с профилированным дном без сепаратора СК283520
Роликовый игольчатый подшипник BK2820 (CX, ISO, KOYO, NBS, NTN)