Главная > Подшипники> Роликовые > Радиально-упорные>28995/28920

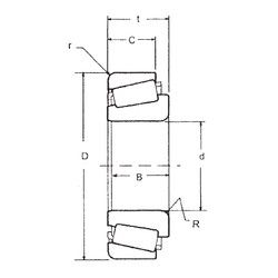
28995/28920 — Однорядный конический роликовый подшипник, импортное производство по ISO стандарту, размер 62x101x25 номер основного исполнения .
Производится брендами: CX, FBJ, ISO, TIMKEN.
Цена от:1 822 р.
Цена на подшипник зависит от:
Габаритные размеры
Размеры и геометрические характеристики
Нагрузка и ресурс
Защита
Коэффициенты для расчета
Присоединительные размеры
Конструкция и исполнение