Главная > Подшипники> Роликовые > Радиально-упорные>28985/28921A

28985/28921A — Подшипник роликовый радиально-упорный, импортное производство по ISO стандарту, размер 60x100x25 номер основного исполнения .
Производится брендами: KOYO, TIMKEN.
A = внутренняя модификация конструкции.
Цена от:860 р.
Цена на подшипник зависит от:
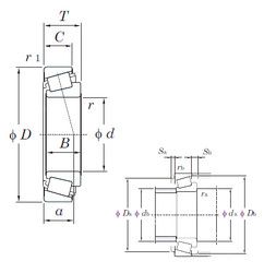
Габаритные размеры
Размеры и геометрические характеристики
Нагрузка и ресурс
Защита
Коэффициенты для расчета
Присоединительные размеры
Конструкция и исполнение
Подшипник роликовый радиально-упорный 2-67712 Л (ГПЗ-15)
Подшипник роликовый радиально-упорный 2067712A (EPK)
Подшипник шариковый радиально-упорный 2067712 А (ГПЗ-15)
Подшипник роликовый радиально-упорный 4-67712 Л (ГПЗ-15)
Подшипник роликовый радиально-упорный 67712 Л
Подшипник роликовый радиально-упорный 113060/113100C (Gamet)