Главная > Подшипники> Роликовые > Радиально-упорные>28580R/28520

28580R/28520 — Подшипник роликовый радиально-упорный, импортное производство по ISO стандарту, размер 50x80x25 номер основного исполнения .
Производитель: KOYO.
R = Наружное кольцо с фланцем .
Цена от:771 р.
Цена на подшипник зависит от:
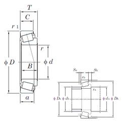
Габаритные размеры
Размеры и геометрические характеристики
Нагрузка и ресурс
Защита
Коэффициенты для расчета
Присоединительные размеры
Конструкция и исполнение