Главная > Подшипники> Роликовые > Радиально-упорные>28159/28317

28159/28317 — Подшипник роликовый радиально-упорный, импортное производство по ISO стандарту, размер 39x80x20 номер основного исполнения .
Производитель: KOYO.
Цена по запросу
Цена на подшипник зависит от:
Габаритные размеры
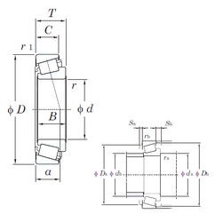
Размеры и геометрические характеристики
Нагрузка и ресурс
Защита
Коэффициенты для расчета
Присоединительные размеры
Конструкция и исполнение
Однорядный конический роликовый подшипник 28156/28317 (TIMKEN)
Однорядный конический роликовый подшипник U399A/U365L (PFI, TIMKEN)