Главная > Подшипники> Роликовые > Радиально-упорные>2794R/2735X

2794R/2735X — Подшипник роликовый радиально-упорный, импортное производство по ISO стандарту, размер 36x73x23 номер основного исполнения .
Производитель: KOYO.
X = Внешние размеры, соответствующие международным стандартам.
Цена по запросу
Цена на подшипник зависит от:
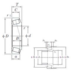
Габаритные размеры
Размеры и геометрические характеристики
Нагрузка и ресурс
Защита
Коэффициенты для расчета
Присоединительные размеры
Конструкция и исполнение
Однорядный конический роликовый подшипник 25880/25821 (AST, CX, FBJ, Fersa, ISO)
Подшипник роликовый радиально-упорный 25880R/25821 (KOYO)
Однорядный конический роликовый подшипник 25880/25820 (Fersa, ISB, TIMKEN)
Однорядный конический роликовый подшипник 2780/2735X (TIMKEN)
Конический роликоподшипник 2794/2735X (TIMKEN)
Однорядный конический роликовый подшипник 4T-25880/25821 (NTN)