Главная > Подшипники> Роликовые > Радиально-упорные>2794/2720

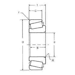
2794/2720 — Однорядный конический роликовый подшипник, импортное производство по ISO стандарту, размер 36x76x23 номер основного исполнения .
Производится брендами: CX, FBJ, ISO, TIMKEN.
Цена по запросу
Цена на подшипник зависит от:
Габаритные размеры
Размеры и геометрические характеристики
Нагрузка и ресурс
Защита
Коэффициенты для расчета
Присоединительные размеры
Конструкция и исполнение
Однорядный конический роликовый подшипник 2780/2720 (CX, FBJ, Fersa, ISO, TIMKEN)
Однорядный конический роликовый подшипник 2780/2729 (AST, Fersa, TIMKEN)
Конический роликоподшипник 4T-2780/2720 (NTN)