Главная > Подшипники> Роликовые > Радиально-упорные>2790R/2735X

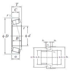
2790R/2735X — Подшипник роликовый радиально-упорный, импортное производство по ISO стандарту, размер 33x74x25 номер основного исполнения .
Производитель: KOYO.
X = Внешние размеры, соответствующие международным стандартам.
Цена от:505 р.
Цена на подшипник зависит от:
Габаритные размеры
Размеры и геометрические характеристики
Нагрузка и ресурс
Защита
Коэффициенты для расчета
Присоединительные размеры
Конструкция и исполнение
Подшипник роликовый радиально-упорный 2785R/2729 (KOYO)
Подшипник роликовый радиально-упорный 2785R/2736 (KOYO)