Главная > Подшипники> Роликовые > Радиально-упорные>2788/2720/QCL7C

2788/2720/QCL7C — Однорядный конический роликовый подшипник, импортное производство по ISO стандарту, размер 38x76x23 номер основного исполнения .
Производитель: SKF.
С = Необслуживаемые концы стержней, внутренняя резьба.
Цена от:537 р.
Цена на подшипник зависит от:
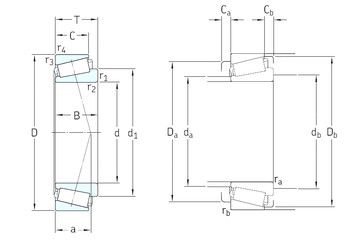
Габаритные размеры
Размеры и геометрические характеристики
Нагрузка и ресурс
Защита
Коэффициенты для расчета
Присоединительные размеры
Конструкция и исполнение
Однорядный конический роликовый подшипник 2776/2720 (AST, CX, FBJ, ISO, KBC)
Однорядный конический роликовый подшипник 2788/20 (PFI)
Однорядный конический роликовый подшипник 2788/2720 (CX, FBJ, Fersa, ISO, NACHI)
Однорядный конический роликовый подшипник 2788/2729 (Fersa, NACHI, NIS, NSK, TIMKEN)
Конический роликоподшипник 2788/2729X (TIMKEN)
Однорядный конический роликовый подшипник 2788A/2720 (CX, FBJ, ISO, TIMKEN)