Главная > Подшипники> Роликовые > Радиально-упорные>27691/27620

27691/27620 — Однорядный конический роликовый подшипник, импортное производство по ISO стандарту, размер 83x125x25 номер основного исполнения .
Производится брендами: CX, FBJ, ISO, KOYO, TIMKEN.
Цена по запросу
Цена на подшипник зависит от:
Габаритные размеры
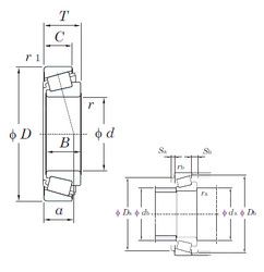
Размеры и геометрические характеристики
Нагрузка и ресурс
Защита
Коэффициенты для расчета
Присоединительные размеры
Конструкция и исполнение
Однорядный конический роликовый подшипник 27689/27620 (CX, FBJ, ISO, KOYO, NIS)
Однорядный конический роликовый подшипник 27690/27620 (AST, CX, FBJ, Fersa, ISO)
Однорядный конический роликовый подшипник 27690/27620B (TIMKEN)
Конический роликоподшипник 4T-27689/27620 (NTN)
Конический роликоподшипник 4T-27690/27620 (NTN)
Конический роликоподшипник 4T-27691/27620 (NTN)