Главная > Подшипники> Роликовые > Радиально-упорные>2689/2631

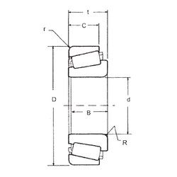
2689/2631 — Однорядный конический роликовый подшипник, импортное производство по ISO стандарту, размер 28x66x23 номер основного исполнения .
Производится брендами: CX, FBJ, Fersa, ISO, KOYO, TIMKEN.
Цена от:3 206 р.
Цена на подшипник зависит от:
Габаритные размеры
Размеры и геометрические характеристики
Нагрузка и ресурс
Защита
Коэффициенты для расчета
Присоединительные размеры
Конструкция и исполнение