Главная > Подшипники> Роликовые > Радиально-упорные>26882R/26821

26882R/26821 — Подшипник роликовый радиально-упорный, импортное производство по ISO стандарту, размер 41x66x25 номер основного исполнения .
Производитель: KOYO.
R = Наружное кольцо с фланцем .
Цена от:569 р.
Цена на подшипник зависит от:
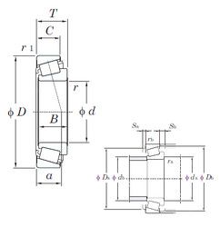
Габаритные размеры
Размеры и геометрические характеристики
Нагрузка и ресурс
Защита
Коэффициенты для расчета
Присоединительные размеры
Конструкция и исполнение