Главная > Подшипники> Роликовые > Радиально-упорные>26882/26823

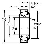
26882/26823 — Однорядный конический роликовый подшипник, импортное производство по ISO стандарту, размер 41x76x25 номер основного исполнения .
Производится брендами: AST, CX, FBJ, ISO, TIMKEN.
Цена от:1 494 р.
Цена на подшипник зависит от:
Габаритные размеры
Размеры и геометрические характеристики
Нагрузка и ресурс
Защита
Коэффициенты для расчета
Присоединительные размеры
Конструкция и исполнение
Прочие характеристики
Однорядный конический роликовый подшипник 24780/24721 (AST, Fersa, KBC, NIS, NSK)
Подшипник роликовый радиально-упорный 24780R/24721 (KOYO, NACHI)
Однорядный конический роликовый подшипник 24781/24721 (Fersa, TIMKEN)
Конический роликоподшипник 4T-24780/24721 (NTN)
Конический роликоподшипник 4T-26882/26823 (NTN)