Главная > Подшипники> Роликовые > Радиально-упорные>26882/26820

26882/26820 — Однорядный конический роликовый подшипник, импортное производство по ISO стандарту, размер 41x80x25 номер основного исполнения .
Производится брендами: CX, FBJ, Fersa, ISO, NIS, NSK, TIMKEN.
Цена от:1 034 р.
Цена на подшипник зависит от:
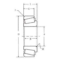
Габаритные размеры
Размеры и геометрические характеристики
Нагрузка и ресурс
Защита
Коэффициенты для расчета
Присоединительные размеры
Конструкция и исполнение
Прочие характеристики
Однорядный конический роликовый подшипник 4T-26882/26820 (NTN)
Конический роликоподшипник H-26882R/H-26820 (NACHI)