Главная > Подшипники> Роликовые > Радиально-упорные>26881R/26830

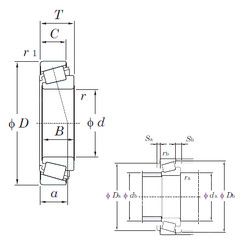
26881R/26830 — Подшипник роликовый радиально-упорный, импортное производство по ISO стандарту, размер 39x66x25 номер основного исполнения .
Производитель: KOYO.
R = Наружное кольцо с фланцем .
Цена от:551 р.
Цена на подшипник зависит от:
Габаритные размеры
Размеры и геометрические характеристики
Нагрузка и ресурс
Защита
Коэффициенты для расчета
Присоединительные размеры
Конструкция и исполнение