Главная > Подшипники> Роликовые > Радиально-упорные>26878R/26822A

26878R/26822A — Подшипник роликовый радиально-упорный, импортное производство по ISO стандарту, размер 38x83x25 номер основного исполнения .
Производитель: KOYO.
A = внутренняя модификация конструкции.
Цена по запросу
Цена на подшипник зависит от:
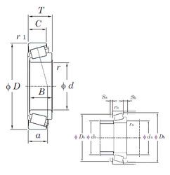
Габаритные размеры
Размеры и геометрические характеристики
Нагрузка и ресурс
Защита
Коэффициенты для расчета
Присоединительные размеры
Конструкция и исполнение
Цилиндрический роликоподшипник E-RNF0820N (NTN)
Цилиндрический роликоподшипник F19067 (Fersa)