Главная > Подшипники> Роликовые > Радиально-упорные>26877/26820

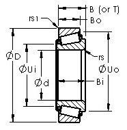
26877/26820 — Однорядный конический роликовый подшипник, импортное производство по ISO стандарту, размер 36x80x25 номер основного исполнения .
Производится брендами: AST, TIMKEN.
Цена по запросу
Цена на подшипник зависит от:
Габаритные размеры
Размеры и геометрические характеристики
Защита
Присоединительные размеры
Конструкция и исполнение
Прочие характеристики