Главная > Подшипники> Роликовые > Радиально-упорные>2684/2631

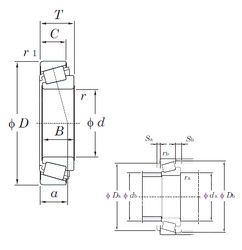
2684/2631 — Однорядный конический роликовый подшипник, импортное производство по ISO стандарту, размер 22x66x23 номер основного исполнения .
Производится брендами: CX, ISO, KOYO, TIMKEN.
Цена от:780 р.
Цена на подшипник зависит от:
Габаритные размеры
Размеры и геометрические характеристики
Нагрузка и ресурс
Защита
Коэффициенты для расчета
Присоединительные размеры
Конструкция и исполнение