Главная > Подшипники> Роликовые > Радиально-упорные>2682/2631

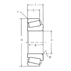
2682/2631 — Однорядный конический роликовый подшипник, импортное производство по ISO стандарту, размер 26x66x23 номер основного исполнения .
Производится брендами: CX, FBJ, ISO, KOYO, TIMKEN.
Цена по запросу
Цена на подшипник зависит от:
Габаритные размеры
Размеры и геометрические характеристики
Нагрузка и ресурс
Защита
Коэффициенты для расчета
Присоединительные размеры
Конструкция и исполнение
Однорядный конический роликовый подшипник 2688/2631 (CX, FBJ, ISO, KOYO, TIMKEN)
Конический роликоподшипник 4T-2682/2631 (NTN)
Конический роликоподшипник 4T-2688/2631 (NTN)