Главная > Подшипники> Роликовые > Радиально-упорные>26118S/26283

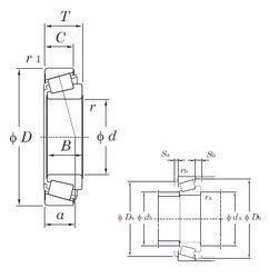
26118S/26283 — Подшипник роликовый радиально-упорный, импортное производство по ISO стандарту, размер 30x66x18 номер основного исполнения .
Производитель: KOYO.
S2 = Кольца подшипника стабилизированы для рабочих температур до + 250 С.
Цена от:2 866 р.
Цена на подшипник зависит от:
Габаритные размеры
Размеры и геометрические характеристики
Нагрузка и ресурс
Защита
Коэффициенты для расчета
Присоединительные размеры
Конструкция и исполнение
Подшипник шариковый радиальный BR3066THLDD (KBC)
Подшипник шариковый радиальный BR3066DA2 (KBC)
Подшипник шариковый радиальный BR3066DDA2NR (KBC)
Подшипник шариковый радиальный BR3066HL1DDA2NSRXCX26G38 (KBC)