Главная > Подшипники> Роликовые > Радиально-упорные>2586/2523

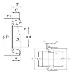
2586/2523 — Подшипник роликовый радиально-упорный, импортное производство по ISO стандарту, размер 30x69x23 номер основного исполнения .
Производится брендами: KOYO, TIMKEN.
Цена по запросу
Цена на подшипник зависит от:
Габаритные размеры
Размеры и геометрические характеристики
Нагрузка и ресурс
Защита
Коэффициенты для расчета
Присоединительные размеры
Конструкция и исполнение
Однорядный конический роликовый подшипник 2558/2523 (CX, FBJ, ISO, NIS, NSK)
Однорядный конический роликовый подшипник 2558/2523-S (KOYO, TIMKEN)
Однорядный конический роликовый подшипник 2561X/2523-S (TIMKEN)
Конический роликоподшипник 2560X/2523 (TIMKEN)
Однорядный конический роликовый подшипник 2561X/2523 (TIMKEN)
Конический роликоподшипник 2560X/2523-S (TIMKEN)