Главная > Подшипники> Роликовые > Радиально-упорные>2585/2520

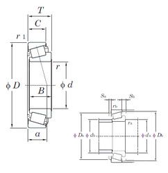
2585/2520 — Однорядный конический роликовый подшипник, импортное производство по ISO стандарту, размер 33x66x25 номер основного исполнения .
Производится брендами: CX, ISO, KOYO, TIMKEN.
Цена от:2 819 р.
Цена на подшипник зависит от:
Габаритные размеры
Размеры и геометрические характеристики
Нагрузка и ресурс
Защита
Коэффициенты для расчета
Присоединительные размеры
Конструкция и исполнение