Главная > Подшипники> Роликовые > Радиально-упорные>25590/25520

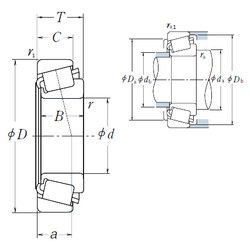
25590/25520 — Однорядный конический роликовый подшипник, импортное производство по ISO стандарту, размер 45x82x23 номер основного исполнения .
Производится брендами: CX, FBJ, Fersa, ISB, ISO, NACHI, NIS, NSK, TIMKEN.
Цена от:1 120 р.
Цена на подшипник зависит от:
Габаритные размеры
Размеры и геометрические характеристики
Нагрузка и ресурс
Защита
Коэффициенты для расчета
Присоединительные размеры
Конструкция и исполнение
Прочие характеристики
Однорядный конический роликовый подшипник 25590/25519 (CX, FBJ, ISO, TIMKEN)
Конический роликоподшипник 25590/20 (PFI)
Конический роликоподшипник 4T-25590/25520 (NTN)
Конический роликоподшипник 4T-25590/25519 (NTN)
Конический роликоподшипник H-25590/H-25520 (NACHI)