Главная > Подшипники> Роликовые > Радиально-упорные>25583/25520

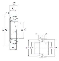
25583/25520 — Подшипник роликовый радиально-упорный, импортное производство по ISO стандарту, размер 44x82x34 номер основного исполнения .
Производится брендами: KOYO, TIMKEN.
Цена по запросу
Цена на подшипник зависит от:
Габаритные размеры
Размеры и геометрические характеристики
Нагрузка и ресурс
Защита
Коэффициенты для расчета
Присоединительные размеры
Конструкция и исполнение
Однорядный конический роликовый подшипник 25583/25519 (TIMKEN)
Однорядный конический роликовый подшипник 25583/25524 (TIMKEN)