Главная > Подшипники> Роликовые > Радиально-упорные>25581/25523

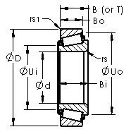
25581/25523 — Однорядный конический роликовый подшипник, импортное производство по ISO стандарту, размер 44x82x26 номер основного исполнения .
Производитель: AST.
Цена от:497 р.
Цена на подшипник зависит от:
Габаритные размеры
Размеры и геометрические характеристики
Присоединительные размеры
Конструкция и исполнение
Прочие характеристики
Однорядный конический роликовый подшипник 25580/25523 (Fersa, ISB, NACHI, TIMKEN)
Однорядный конический роликовый подшипник 25584/25523 (TIMKEN)
Однорядный конический роликовый подшипник 4T-25580/25523 (NTN)