Главная > Подшипники> Роликовые > Радиально-упорные>25580/25520/Q

25580/25520/Q — Однорядный конический роликовый подшипник, импортное производство по ISO стандарту, размер 44x82x23 номер основного исполнения .
Производитель: SKF.
Q = тихий ход работы подшипника.
Цена от:518 р.
Цена на подшипник зависит от:
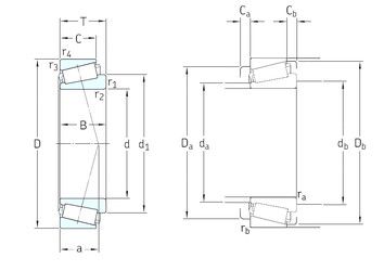
Габаритные размеры
Размеры и геометрические характеристики
Нагрузка и ресурс
Защита
Коэффициенты для расчета
Присоединительные размеры
Конструкция и исполнение
Однорядный конический роликовый подшипник 25580/25519 (TIMKEN)
Однорядный конический роликовый подшипник 25581/25520 (CX, FBJ, Fersa, ISO, TIMKEN)
Однорядный конический роликовый подшипник 25582/25520 (CX, ISO, KOYO, TIMKEN)
Однорядный конический роликовый подшипник 25580/25524 (KOYO, TIMKEN)
Однорядный конический роликовый подшипник 25580/25520 (CX, FBJ, Fersa, ISB, ISO)
Однорядный конический роликовый подшипник 25580/20 (PFI)