Главная > Подшипники> Роликовые > Радиально-упорные>25577/2/25523/2/Q

25577/2/25523/2/Q — Однорядный конический роликовый подшипник, импортное производство по ISO стандарту, размер 42x83x26 номер основного исполнения .
Производитель: SKF.
Q = тихий ход работы подшипника.
Цена от:1 048 р.
Цена на подшипник зависит от:
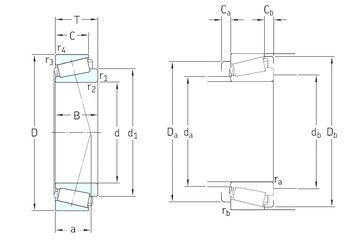
Габаритные размеры
Размеры и геометрические характеристики
Нагрузка и ресурс
Защита
Коэффициенты для расчета
Присоединительные размеры
Конструкция и исполнение