Главная > Подшипники> Роликовые > Радиально-упорные>25577/2/25520/2/Q

25577/2/25520/2/Q — Конический роликоподшипник, импортное производство по ISO стандарту, размер 42x82x23 номер основного исполнения .
Производитель: SKF.
Q = тихий ход работы подшипника.
Цена от:526 р.
Цена на подшипник зависит от:
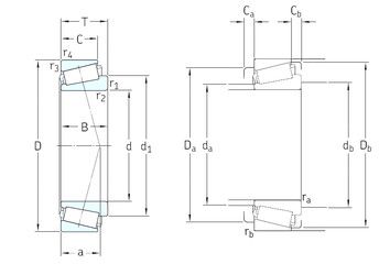
Габаритные размеры
Размеры и геометрические характеристики
Нагрузка и ресурс
Защита
Коэффициенты для расчета
Присоединительные размеры
Конструкция и исполнение
Однорядный конический роликовый подшипник 25577/25519 (TIMKEN)
Однорядный конический роликовый подшипник 25576/25520 (Fersa)
Однорядный конический роликовый подшипник 25577/25520 (CX, FBJ, Fersa, ISO, KOYO)
Однорядный конический роликовый подшипник 25578/25520 (CX, FBJ, Fersa, ISO, NIS)
Конический роликоподшипник 4T-25578/25520 (NTN)
Конический роликоподшипник 4T-25577/25520 (NTN)