Главная > Подшипники> Роликовые > Радиально-упорные>25570/25519

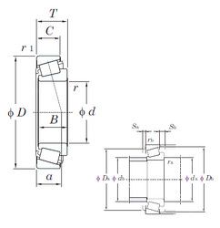
25570/25519 — Подшипник роликовый радиально-упорный, импортное производство по ISO стандарту, размер 36x82x23 номер основного исполнения .
Производится брендами: AST, KOYO.
Цена по запросу
Цена на подшипник зависит от:
Габаритные размеры
Размеры и геометрические характеристики
Нагрузка и ресурс
Защита
Коэффициенты для расчета
Присоединительные размеры
Конструкция и исполнение
Прочие характеристики