Главная > Подшипники> Роликовые > Радиально-упорные>2476/2420

2476/2420 — Подшипник роликовый радиально-упорный, импортное производство по ISO стандарту номер основного исполнения .
Производитель: KOYO.
Цена по запросу
Цена на подшипник зависит от:
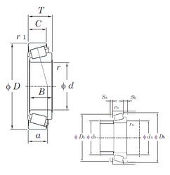
Габаритные размеры
Размеры и геометрические характеристики
Нагрузка и ресурс
Защита
Присоединительные размеры
Конструкция и исполнение