Главная > Подшипники> Роликовые > Радиальные сферические>241/670-B-K30-MB + AH241/670-H

241/670-B-K30-MB + AH241/670-H — Подшипник роликовый самоустанавливающийся, импортное производство по ISO стандарту, размер 630x1090x412 номер основного исполнения .
Производитель: FAG.
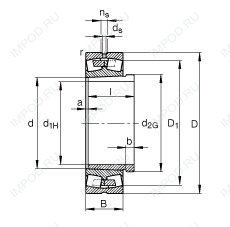
BK = K = коническое отверстие, конус 1:12. D1 = Смазочное отверстие и три отверстия в наружном кольце подшипника.
Цена по запросу
Цена на подшипник зависит от:
Габаритные размеры
Размеры и геометрические характеристики
Нагрузка и ресурс
Коэффициенты для расчета
Присоединительные размеры
Конструкция и исполнение
Прочие характеристики